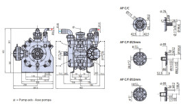
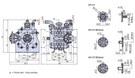
Мембранный насос марки Annovi Reverberi - это гидравлический насос с тремя мембранами для профессионального применения в сельском хозяйстве на опрыскивателях для обработки садов или виноградников с использованием средств защиты растений в режиме высокого давления.
Детали контактирующие с перекачиваемыми жидкостями выполнены из анодированного алюминия и нержавеющей стали AISI 303/304.
Мембраны и уплотнения выполнены из NBR.
Корпус насоса выполнен по технологии литья под давлением, с установленными мешанической частью насоса в масляной ванне, оснащен резервуаром из прозрачного пластика для визуального контроля уровня масла.
Поставляется с гидро-пневматическим демпфером позволяющим обеспечить высокую равномерность работы и снизить пульсации.
По запросу комплектуется узлом дистанционного управления
По запросу комплектуется набором для установки дополнительного масляного бака.
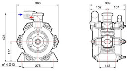
Пробка для слива масла.
Поршни оснащены специальным сегментом для повышения эффективности ”масляной подушки" системы защиты мембраны.
Оснащен системой блокировки мембраны новой конструкции для предотвращения разрывов и контакта жидкостей даже при тяжелых условиях эксплуатации. Клапаны с сферическим профилем, обеспечивающее меньшее сопротивление прохождению жидкости и улучшают объемный выход.
В комплекте с клапаном сброса давления с перезапуском и защитой кардана. Витерия с гальваническим покрытием.
- Мембранный насос
- Инструкция по эксплуатации













