PRO консультанты
Профессиональный подбор оборудования и аксессуаров
Большой ассортимент
Клинингового оборудования, аксессуаров и запчастей
Сервисная служба
Сервис и обслуживание по всей России
Доставка по России
Доставляем по России - оперативно в любую точку
Описание
Отзывы
Описание
Плунжерный насос высокого давления Bertolini CK 146 РР оснащен самосмазывающимися уплотнителями, полированные твердые керамические плунжера. Клапаны выполнены из нержавеющей стали. Проточная часть из латуни, высокая стойкость к механическим нагрузкам.
Корпус отлит под давлением из алюминия с высоким контролем качества. Шток плунжера изготовлен из нержавеющей стали. Шатун с системой самовыравнивания и зеркальной поверхностью из бронзового сплава, резко снижает трение и перегрев коленвала.
Заборные и напорные клапаны выполнены из стали AISI 316, что определяет высокую объемную эффективность и максимальную производительность.
Особенности:
- Роликовые подшипники ведущих брендов для всех условий работы.
- Шатуны из двух частей центрирования на эксцентричные из сплава Tonolli 328 или сплава бронзы, постоянно снижает эффект трения и износа от перегрева.
- Картер из отлитого под давлением алюминия с характеристиками высокой коррозионной стойкостью и покрыты анодированием против коррозии.
- Самосмазывающиеся втулки антифрикционные запатентованная PTFE уменьшают трение и обеспечивают работоспособность для осуществления непрерывной прогрессии.
- Двойное уплотнение "V" самосмазывающиеся из усиленного эластомера, который оптимизирует продолжительность.
- Поршни из интегральной керамики высококачественной отделкой поверхности.
- Всасывающие и выходные клапаны из нержавеющей стали с высокой объемной эффективностью и максимальной мощностью всасывания.
- Задняя крышка сделана из специальных форм чтобы увеличить количество масла в картере и улучшения смазки.
- Вилки шатунов самоблокирующиеся.
- Насос оснащен эксклюзивной и запатентованной системой охлаждения картера.
- Проток воды в головке обеспечивает эффективное охлаждение масла в картере.
Комплектация
Документация
Характеристики
Общие хар-ки
Бренд
Страна бренда
Италия
Гарантия
1 год
Тип насоса
плунжерный
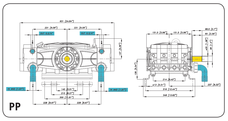
Габариты, ДхШхВ
631 × 346 × 273 мм
Вес
39 кг
Материал
алюминий, латунь
Диаметр вала насоса
35 мм
Технические хар-ки
Рабочее давление (бар)
70
Частота вращения вала (об/мин)
550
Поток воды (л/час)
8460
Максимальная температура воды на входе (С°)
60
Мощность привода
16.6 кВт
Тип вала насоса
внешний гладкий
Сторона выхода вала
правый
Встроенный регулятор
нет
Подключение (вход)
2х40
Подключение (выход)
3/4" внутр (х2)
Вязкость масла (SAE)
5W-30
Объем масляной системы
2.8 л
Отзывов ещё нет — ваш может стать первым.
Все отзывы 0
Подборки товаров в категории








