Каталог
Насос высокого давления Bertolini CKA 120 Р (550об/мин) (735304973)

Насос высокого давления Bertolini CKA 120 Р (550об/мин) (735304973)

Бренд
Страна бренда
Гарантия
Тип насоса
Склад:
В наличии
182 110
11
Информация о доставке
Новосибирск
Способ доставки
Деловые Линии (терминал)
Рассчитываем стоимость доставки...
СДЭК (ПВЗ и постаматы)
Рассчитываем стоимость доставки...
PRO консультанты
Профессиональный подбор оборудования и аксессуаров
Большой ассортимент
Клинингового оборудования, аксессуаров и запчастей
Сервисная служба
Сервис и обслуживание по всей России
Доставка по России
Доставляем по России - оперативно в любую точку
Описание
Отзывы
Описание

Насос с тремя самосмазывающимися керамическими плунжерами Bertolini СK 120 P. Это улучшенный поршневой насос обеспечивает возможность для высокого уровня проектирования, эффективности и производительности. Идеально подходят для сельскохозяйственной промышленности. Превосходная конструкция, высокое качество материалов, инновационные технологические решения (патент Bertolini) обеспечивают эффективный и долгий срок службы всех компонентов и простоту обслуживания.

Особенности:

  • Роликовые подшипники ведущих брендов для всех условий работы;
  • Шатуны из двух частей центрирования на эксцентричные из сплава Tonolli 328 или сплава бронзы, постоянно снижает эффект трения и износа от перегрева;
  • Картер из отлитого под давлением алюминия с характеристиками высокой коррозионной стойкостью и покрыты анодированием против коррозии;
  • Самосмазывающие втулки антифрикционные запатентованная PTFE уменьшают трение и обеспечивают работоспособность для осуществления непрерывной прогрессии;
  • Двойное уплотнение "V" самосмазывающиеся из усиленного эластомера, который оптимизирует продолжительность;
  • Поршни из интегральной керамики высококачественной отделкой поверхности;
  • Всасывающие и выходные клапаны из нержавеющей стали с высокой объемной эффективностью и максимальной мощностью всасывания;
  • Задняя крышка сделана из специальных форм чтобы увеличить количество масла в картере и улучшения смазки;
  • Вилки шатунов самоблокирующиеся;
  • Насос оснащен эксклюзивной и запатентованной системой охлаждения картера;
  • Проток воды в головке обеспечивает эффективное охлаждение масла в картере.
Характеристики
Общие хар-ки
Бренд
Страна бренда
Гарантия
Тип насоса
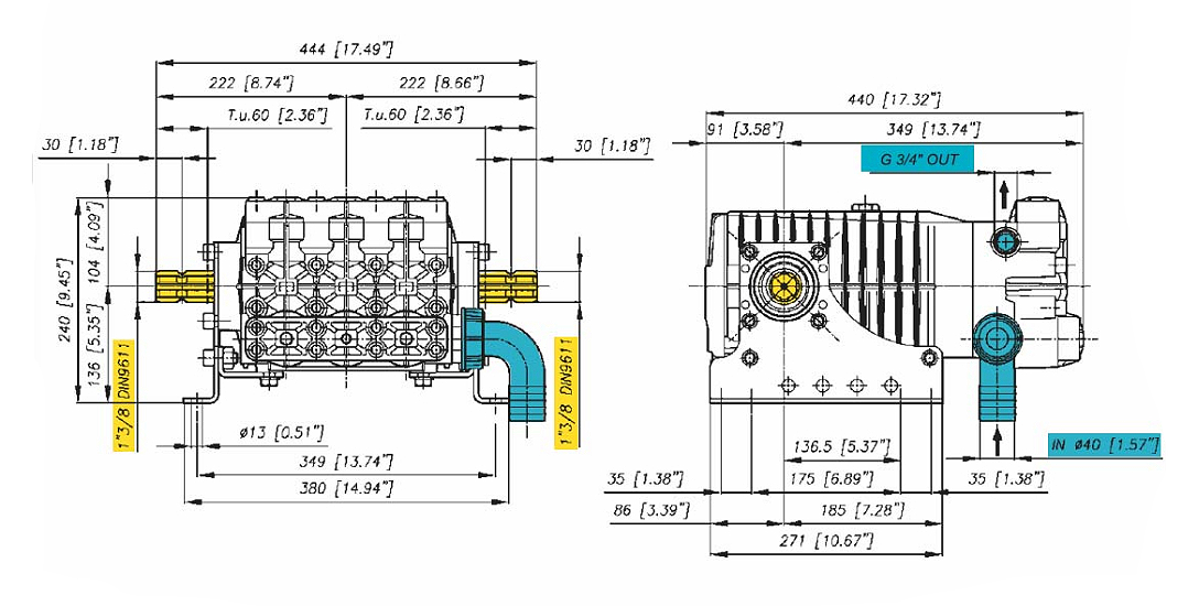
Габариты, ДхШхВ
Вес
Материал
Диаметр вала насоса
Технические хар-ки
Рабочее давление (бар)
Частота вращения вала (об/мин)
Поток воды (л/час)
Максимальная температура воды на входе (С°)
Мощность привода
Тип вала насоса
Сторона выхода вала
Встроенный регулятор
Подключение (вход)
Подключение (выход)
Отзывов ещё нет — ваш может стать первым.
Все отзывы 0
0.0 / 5
Похожие товары
C этим товаром также покупают