PRO консультанты
Профессиональный подбор оборудования и аксессуаров
Большой ассортимент
Клинингового оборудования, аксессуаров и запчастей
Сервисная служба
Сервис и обслуживание по всей России
Доставка по России
Доставляем по России - оперативно в любую точку
Описание
Отзывы
Описание
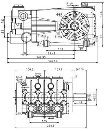
Плунжерный насос высокого давления с кривошипной передачей TOR DS-3025 N. Номинальное давление 250 бар, расход воды 1800 л/час, частота вращения вала 1450 об/мин.
Насос состоит из литого корпуса, оснащенного кованой латунной головкой. Внутренние элементы включают поршни с монолитной керамической оболочкой, кованый коленчатый вал, цельнолитые шатуны и клапаны, изготовленные из нержавеющей стали.
Особенности:
- Рабочие обороты двигателя для данной помпы - 1450 об/мин
- Рекомендуемая мощность мотора не менее 15 кВт
- Промышленная серия
Характеристики
Общие хар-ки
Бренд
Страна бренда
Китай
Гарантия
12 мес
Тип насоса
плунжерный
Габариты, ДхШхВ
326 × 258 × 161 мм
Вес
17 кг
Диаметр вала насоса
24 мм
Технические хар-ки
Тип привода насоса
без привода
Рабочее давление (бар)
250
Частота вращения вала (об/мин)
1450
Поток воды (л/час)
1800
Максимальная температура воды на входе (С°)
60
Мощность привода
15 кВт
Тип вала насоса
внешний гладкий
Сторона выхода вала
правый
Встроенный регулятор
нет
Подключение (вход)
3/4" внутр
Подключение (выход)
3/8" внутр
Отзывов ещё нет — ваш может стать первым.
Все отзывы 0
Подборки товаров в категории










