PRO консультанты
Профессиональный подбор оборудования и аксессуаров
Большой ассортимент
Клинингового оборудования, аксессуаров и запчастей
Сервисная служба
Сервис и обслуживание по всей России
Доставка по России
Доставляем по России - оперативно в любую точку
Описание
Отзывы
Описание
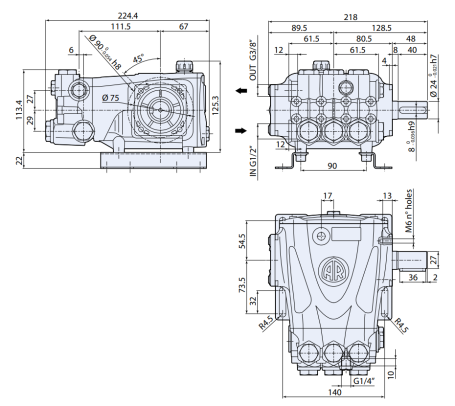
Насосы высокого давления TOR RR 15.20 - аналог помпы Annovi Reverberi RR 15.20 N. Помпа кривошипного типа. Подходит для электромоторов мощностью до 5.5кВт, 1450об/мин.
Производство - фабричный Китай высокого качества!
Особенности
- Корпус и крышка насоса изготовлены из высокопрочного алюминия с помощью технологии литья по давлением;
- Износостойкие керамические втулки поршней;
- Головная часть насоса изготовлена из высокопрочной латуни с помощью технологии горячей штамповки;
Характеристики
Общие хар-ки
Бренд
Страна бренда
Китай
Тип насоса
плунжерный
Габариты, ДхШхВ
30 × 20 × 20 см
Вес
7.6 кг
Материал
алюминий, латунь
Диаметр вала насоса
24 мм
Технические хар-ки
Тип привода насоса
без привода
Рабочее давление (бар)
200
Частота вращения вала (об/мин)
1450
Поток воды (л/час)
900
Мощность привода
5.5 кВт
Тип вала насоса
внешний гладкий
Сторона выхода вала
правый
D отв. фланца насоса
75 мм
Встроенный регулятор
нет
Подключение (вход)
1/2" внутр
Подключение (выход)
3/8" внутр
Отзывов ещё нет — ваш может стать первым.
Все отзывы 0
Подборки товаров в категории










